Leuchtenschutz und Leistungsregelung
Leuchten-Schutzbausteine
Für elektronische Betriebsgeräte
Diese Schutzbausteine besitzen interne thermische Sicherungen. Diese Sicherungen trennen den Leuchtenschutzbaustein am Lebensdauerende der internen Varistoren oder bei dauerhafter Netzüberspannung vom Netz.
Der Ausfall der Schutzfunktion wird durch das Erlöschen einer grünen LED angezeigt und der Schutzbaustein muss ersetzt werden.
Un: 100–277 V ± 10 %, 50/60 Hz
Max. Betriebsspannung: 305 V AC
AC-System: TT-TN-IT
Zeitweilige Überspannung
(TOV)-LV: 403 V AC (5 Sek.) / 528 V (120 Min.)
(TOV)-MV/HV: 1200 V AC (200 mSek.)
Isccr: 300 A
Mit integrierter Temperatursicherung
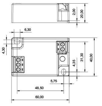
Abmessungen (LxBxH): 60x40x20 mm
Schutzart: IP20
Verpackungseinheit: 81 Stück

| Typ | Artikel- nummer | SPD Type gemäß |
Anschlussklemmen | Max. Laststrom | Schutzspannung | Max. Stoß- spannung | Ableitstoßstrom* (8/20 μs) | Geeignet für Leuchten der Schutzklasse | Preis Euro | ||
|---|---|---|---|---|---|---|---|---|---|---|---|
| EN 61643-11 | A | L-N V | L-PE V | UOC (V) | IN (A) | ||||||
| SPC230/10K/i-IP20 | 142710 | T2 + T3 | Steckklemmen (0,2–1,5 mm²) | 3,5 | < 1500 | – | 12.000 | 5.000 | II | 19,20 € | |
| SPC3/230/10K/i-IP20 | 142711 | T3 | Steckklemmen (0,2–1,5 mm²) | 3,5 | < 1500 | < 1800 | 12.000 | 5.000 | I | 23,10 € | |
| SPC3/230/10K/i-IP20 | 142775 | T2 + T3 | Steckklemmen (0,2–1,5 mm²) | 3,5 | < 1500 | < 1800 | 12.000 | 5.000 | I | 23,90 € | |
| * Ableitstoßstrom: bei IN min. 15 Einschläge | |||||||||||
